您好,欢迎光临镇江鸿泰机械有限公司 今天是:
Hongtai Mechanical Product List

鸿泰机械产品列表

Hongtai Mechanical Contact Us

鸿泰机械联系我们

镇江鸿泰机械有限公司
地址:镇江市金润大道6号
联系人:姜经理
手机:13952805463
电话:0511-88965158
传真:0511-88965148
网址:www.zjhtjx.com
产品展示 您现在的位置:首页>产品展示

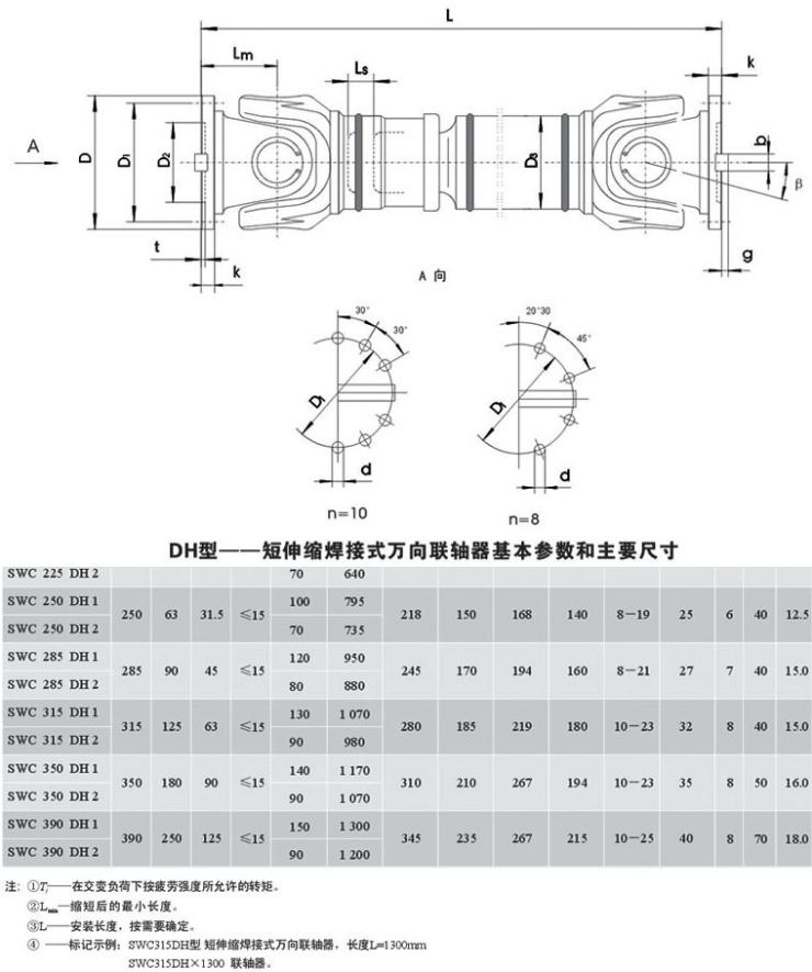
SWC-DH 短伸缩焊接型

发布者:镇江鸿泰机械有限公司 发布时间:2016-10-10 16:21:29 点击次数:2323 关闭